alss
Участники-
Публикаций
197 -
Зарегистрирован
-
Посещение
-
Дней в лидерах
24
Тип публикации
Профили
Форум
Articles
Галерея
Календарь
Файлы
Блоги
Все публикации пользователя alss
-
Ламповый блок питания, усилитель ломо, платы, укв, кпе
alss ответил в теме пользователя familyvalues в Продам
На старом АП промелькнуло про ТР-253 https://audioportal.su/threads/mozhet-kto-znaet-chto-za-transformatory.4236/ -
Однотактный усилитель 6П13С, 6П31С
alss ответил в теме пользователя megavolt84 в Ламповая схемотехника
КПД=0,85, еще меньше чем считал раньше., ладно, все равно будет новый трансформатор. При намотке обратите внимание на сопротивление вторичной обмотки - оно а) приведенное через квадрат коэффициента трансформации должно быть (приблизительно) равно сопротивлению первичной и б) д. б. как можно меньшим. Кстати, это есть у Г. С. Цыкина в рекомендованной Gegen книге, например, с. 369 в примере расчета; обоснование, естественно, в середине книги, на с. 199-203. -
Однотактный усилитель 6П13С, 6П31С
alss ответил в теме пользователя megavolt84 в Ламповая схемотехника
Попробуйте С5 увеличить на порядок, ну просто ради опыта. При прослушивании обратите внимание на воспроизведении длинных низкочастотных звуков. Какой КПД трансформатора? Сопротивление первичной обмотки около 210 Ом многовато даже для пентода как мне сдается. Если взять нагрузку 8 Ом и сопротивление вторички 0,5 Ом, то получается КПД 2500/(2500+210+0,5 х 312) = 0,87 - маловато (себе я меньше 0,95 не рассматриваю). Есть ли в планах намотка трансформатора с более высоким КПД? -
В мс12 несколько сотен типов моделей встроенные, а если нет, то иду на дайаудиоорг и нахожу, ну а если и там нет (надо искать в т. ч. по аналогам), то есть, например, материалы от Дмитрия Нижегородова, А. Л. Гурского на старом АП. PS. Микрокап снизу вверх работает без перебоев, все пользованые мною модели работают. У меня. Назовите неработающие, посмотрю.
-
Совершенно бесплатный и официальный микрокап12 https://archive.org/download/mc12cd_202110/mc12cd.zip PS. С октября 2021-ого он выложен разработчиками для свободного использования ввиду закрытия фирмы, а то ломать, трясти...
-
-
а) лучше ТА288-127/220-50, больше возможностей для коммутации; б) местонахождение?
- 1 ответ
-
- 2
-
-
Наверное, подобным образом - от SVS Savchuk_6P3S_kathodefeedback.pdf
-
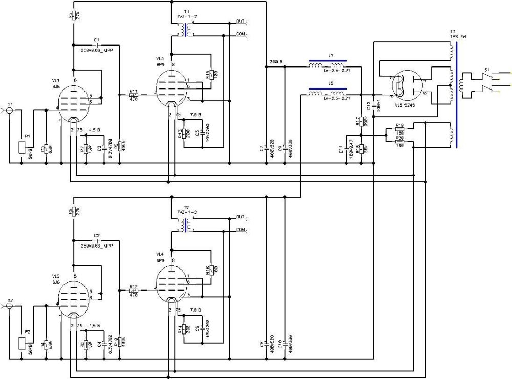
В магазине стоял комплект для сборки ТПС-54, 47 рублей... В перемены бегал любоваться.
-
R11 200 Ом проволочный - подземное смещение. 25 В/200 Ом=0,125 А - похоже на режим. А ±350 В должны быть указаны между общим усилителя и анодным питанием. Данных МКТ и ТВЗ не указаны, что полностью "нулевирует" ценность информации, да тут еще и страшная схема подачи обратной связи в сетки, в доступной советской литературе (журнал Радио) подобное встречал только один раз. Мне кажется, любое влезание в сетки с длинными проводами чревато неприятностями. Как схемотехнический теоретический выверт - может быть. Катодные обмотки в этом смысле гораздо лучше.
-
Нет - чем он отличается кроме чуток более приемлемой чувствительности и чуток меньшей глубиной ОС (примерно на 9 дБ, т. е. около 15 дБ, а по мне все что больше 6 дБ уже много). Да, 1,4 Вскз более приемлемое значение и вполне подходит под нынешние источники (для любителей винтажа по хорошему заказу можно и повторить, на вполне подходящих ТВЗ-1-6, пока их еще можно найти). Я в чуждой для меня схемотехнике поразвлекался моделированием, справился (м. б.) с трансформатором с пентодами и получил подтверждение своей дальнейшей жизни в триоде, которую теперь надо наверстывать после вынужденного (к счастью, кратковременного) перерыва в физической деятельности. PS. Последний пентодный двухтактник я сделал году так в 1969-ом (или 1968-ом - не помню, тогда не было манеры делать снимки на каждый шаг или писать "блоги" на каждый чих), студентом, для гитары в университетском оркестре. Он был двухканальный и каждый канал работал на свои 3 штуки 5ГД-1 в одном ОЯ. Слово "стерео" я уже знал. Источников не было...
-
Я таки его немножко победил, правда, выходное сопротивление 1,1 Ом вместо 0,7 Ом по статье. Обещание "на трех резисторах 27 кОм" достигнуто ценой большей потребляемой мощности по анодной цепи - на 3 Вт, т. е. от сети примерно 5 Вт. В пору "выходных трансформаторов за 5 фунтов стерлингов" это, наверное, имело вес. Вот как-то последние примерно лет 15 только с триодами на выходе дело имел и забыл пентодные хитрости и заморочки...
-
Сегодня выходной у меня (незапланированный), решил смоделировать схему от Баксандала 1957-ого года, на которую обратил внимание просвещенной публики Gegen - пока не смог победить возбуд при введении обратной связи, все-таки 24 дБ много, я не застал такой глубины даже в школе. Пока заметил, что АЧХ и ФЧХ без ООС кривые в отличие от моей угрозы сделать на трех резисторах по 27 кОм... Модель трансформатора одна и та же, естественно. Кстати, по параметрам первички весьма напоминает ТВЗ-1-6.
-
Такое впечатление создает звучание сбалансированной системы пусть даже и с несовершенными техническими характеристиками на чей-то взгляд или стандарт.
-
Спасибо, Xpюн22. Скачал и предусилитель тоже, читать буду дома. Сейчас два подобных проекта на рабочем столе, для себя хочется обоснований традиций, да и клиенту приятно, что идеи живут и не умирают - перевожу - то-бишь не новодел интернетовский... PS. Всегда интересно прочитать, что творилось в мире когда я только в школу пошел - почему-то никаких воспоминаний между смертью Сталина и первым спутником...
-
Интересно, почему в 1957-ом требовались громадные резисторы и цепи коррекции для ЕСС81 в гальванической связке усилитель-ФИРН для раскачки высокочувствительных EL84, а сейчас я обхожусь, упрощенно говоря, тремя резисторами по 27 кОм? Для тех же выходных ламп. Выходные трансформаторы тогда уже умели наматывать. Вопрос риторический, но эволюция схемотехники налицо.
-
Этот отвод на 4 ома (62/84=0,73 при теоретическом 0,71).
-
Стандартный (Радио, 1985, №5, с. 61, 62) пропил для железа Шп (вместо Ф?) такого размера 0,5 мм, но как по мне то это много, желательно 0,2 мм.
-
Выходник в катод... и все. А так можно было?
alss ответил в теме пользователя Перевозчик в Ламповая схемотехника
Я тоже помню эти светодиоды, но при ответе в расчет брал из обыкновенной тумбочки АЛ307 разных цветов или доступные типа TSAL6100 или OSRAM SFHxxxx или из оптопар. -
Выходник в катод... и все. А так можно было?
alss ответил в теме пользователя Перевозчик в Ламповая схемотехника
Старый красный светодиод даст искомые 1,7 В при токе около 7 мА, инфракрасный не более 1,1 В ни при каком токе. Можно еще совсем старый тусклый желто-зеленый взять. -
Однотактный усилитель 6П13С, 6П31С
alss ответил в теме пользователя megavolt84 в Ламповая схемотехника
Два одинаковых каскада, на один из которых подается сигнал, далее инверсия сигнала холостого каскада и суммирование, на выходе - полезный сигнал с ослабленными шумами каскадов - насколько помню, так и работали, например, с низкоомными болометрами. Параллельное соединение активных элементов в советской литературе на примере германиевых транзисторов лет так 60 назад опубликовано, копия статьи, м. б., лежит дома, очень сильно искать надо. Разница в шуме 1-2 дБ для фонокорректора несущественна, а тем более для усилителя мощности, это "искусство схемотехники". -
Обмен информацией по выходным трансформаторам.
alss ответил в теме пользователя Viktor D в Электрические машины и преобразователи
Схема усилителя есть? А то вечером смогу выслать. Данных намотки нет... Поищите по автору Муромцев, что-то там для кинопоказа. В книге от Андерег не нашел, но у меня только одна, а их как минимум две. -
Только сигналом с измерительной пластинки со своим проигрывателем и головкой - емкости соединительных проводов в тонарме, до корректора и, главное, требуемая головке в общем-то неизвестны. Цель - минимальная неравномерность всего пути сигнала на частотах свыше 10-12 кГц.
-
Однотактный усилитель 6П13С, 6П31С
alss ответил в теме пользователя megavolt84 в Ламповая схемотехника
На вход - 6Ж51П (EF184) в триоде (в аноде 15 кОм) и автосмещением, выходная 6П41С в триоде с фиксированным смещением, режим 290 В 55 мА, анодная нагрузка 6-7 кОм. Ну и за 12 лет ничего не менял кроме выходного трансформатора - поставил от Tommy и без всяких ОС выходное получилось 1 Ом на 8 Ом акустики. -
Однотактный усилитель 6П13С, 6П31С
alss ответил в теме пользователя megavolt84 в Ламповая схемотехника
Уровень фона 50 Гц равен уровню второй гармоники, а спектр фона говорит со всеми гармониками сети указывает на плохую фильтрацию и/или неправильную разводку цепей питания, я и предположил как крайний случай ОППВ... По режиму - усиление 6АС7 в триоде около 30, сл., для размаха 120 В (2 напряжения смещения) нужна амплитуда входного напряжения 120/30/2=2 В, т. е. примерно 1,5 В скз, а в сообщении говорится о 0,7, ну, 1 В - какого значения? При повышении питания драйвера до 350 В в анод 22 кОм, в катод 270 Ом (для сохранения тока драйвера), тогда повышается линейность при открытии лампы положительной полуволной входного напряжения и третья проседает относительно второй.