Климентий
Участники-
Публикаций
199 -
Зарегистрирован
-
Посещение
-
Дней в лидерах
13
Тип публикации
Профили
Форум
Articles
Галерея
Календарь
Файлы
Блоги
Все публикации пользователя Климентий
-
Актуально...
-
Идею такого УСТРОЙСТВА вынашивал много лет в голове... как появилась техническая возможность... сразу реализовал... пришлось осваивать программирование микроконтроллеров... проектирование печатных плат вручную без средств автоматизации, старый добрый Sprint Layout 6. Одна плата силовой части чего стоит... как пример... Когда выкладывал данный материал... Была интересна реакция общественности на и такое изделие... В результате ни вопросов ни комментариев технических... Напрашивается два вывода... Либо никому не интересно обсуждать сложные устройства... Проще ковырять схему 50-х годов на двух лампах... Или никто ничего не понял из того что я выложил... Вопрос... А стоит ли тратить своё время на публикацию материалов... Если это никому не нужно... Мне допустим как автору обидно... Ведь хочется обсудить... Может и что-то доработать... Услышать мнение со стороны и тд... А в ответ только молчаливые лайки...
-
Ну как сказать... за что... всегда найдутся критики... то реле китайские... то разъемы не те...и т.д. Делал для себя поэтому золотые и платиновые детали не применял... по этому пункту прошу не пинать. Ну и схемка для общего понимания процесса И соответственно Устройство в работе в стойке... на данный момент в стойке 2 транзисторных моноблока и 2 ламповых моноблока. Одна пара акустики. Далее в стойку встанут еще разные усилители... Селектор позволяет наращивать мускулы стойки 🙂 следующими встанут 2 моноблока на германиевых транзисторах. Хочу в одной стойке собрать все возможные схемотехники основные, вплоть до цифровых Д-класса... благо все коммутируется пультом не вставая с дивана 🙂
-
Позволю показать свое творчество... прошу сильно не пинать... пользуюсь этим устройством 1 год... полет нормальный... MICRO VOL AMP v1.1 Это многофункциональное устройство со следующим функционалом: - регулятор громкости на реле - стерео; - регулировка баланса; - селектор входов аудио стерео сигнала 7 входов; - селектор выходов аудио стерео сигналов 7 выходов; - силовой блок включения/выключения усилителей 7 шт (с функцией софт-старт); - управление с пульта ДУ и/или энкодеры 2 шт; - индикация LCD1602 или 7-ми сегментные индикаторы 8 шт в ряд; - большая вариативность настроек управления. Получился многофункциональный комбайн для управления 7-ми стерео-усилителями в одной аудио стойке. Это устройство избавит Вас от неудобств при замене усилителя или использовании нескольких усилителей или источников сигнала в Вашей АУДИОСТОЙКЕ... все управляется не вставая с дивана... Ссылочки на виде...
-
Транзисторные моноблоки ОМ2.7
Климентий ответил в теме пользователя Климентий в Полупроводниковая схемотехника
В данный момент в моноблоках стоит обычный ИИП на ir2153. -
Транзисторные моноблоки ОМ2.7
Климентий ответил в теме пользователя Климентий в Полупроводниковая схемотехника
Да, интересно было...спортивный интересе... но к тому же вся фишка в том, что было интересно проверить работу импульсного блока питания в усилителе... много очень рассуждений на этот счет, что помехи, искажения и тд. В результате ничего такого не услышал, кристально чистый звук... в паузах пугающая тишина...даже шипения не слышно. В общем ИИП вполне пригоден для усилителя. При том что масса и цена вне конкуренции относительно линейного блока питания. Лично мое мнение основанное на личном опыте. Никому ничего не навязываю. Соответственно в настоящее время с товарищем работаем над мощным ИИП резонансным для питания безтрансформаторного усилителя на 6с19п... но это уже будет отдельная ветка... А пока радует ОМ2.7 как усилитель на каждый день. Всеядный, мощный, неприхотливый. -
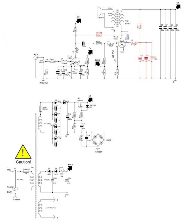
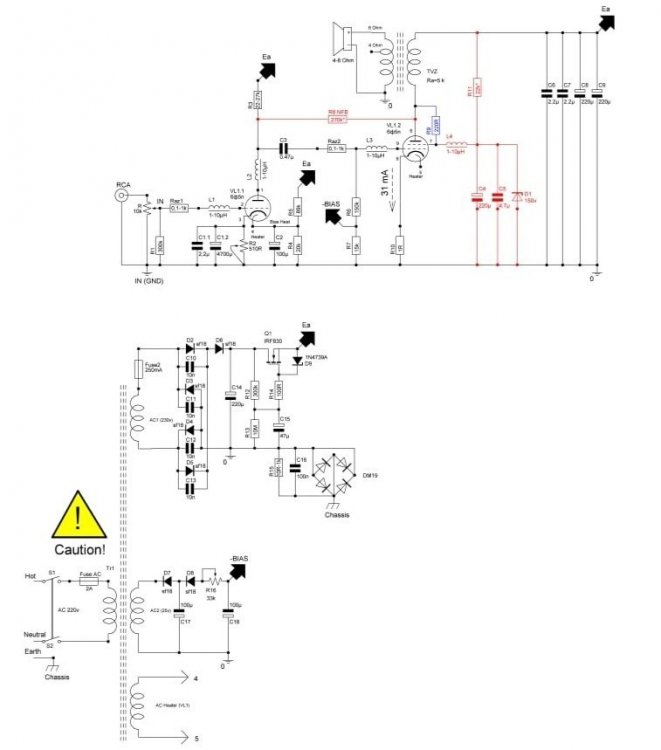
РР двухтакт. Ориентир - усилитель Манакова Анатолия из ТВ деталей... Если UL отводы есть на трансах то вообще шикарно.
-
Коллеги, могу обменять данный комплект на пару хороших ТВЗ для 6п36с...
-
Светки с пушистыми анодами заберу. Куда платить?
-
С удовольствием закажу у вас пару корпусов по своим чертежам. Мзготовите мне по цене 2000руб?
-
Ламповый темброблок
Климентий ответил в теме пользователя Климентий в Устройства обработки и преобразования
Да, это понятно что при положении "0" . Не понятно по первому каскаду... Катод соединён у обеих половинок лампы? Не пойму как первый каскад реализован. -
рупорные системы
Климентий ответил в теме пользователя Карабас в Теория и практика конструирования АС
Если честно я так и не понял шумихи вокруг барбарисхорна... Красивый распиаренный корпус... Но звука я от него не услышал... Кто-то реально получил от этого рупора достойный НЧ регистр? -
рупорные системы
Климентий ответил в теме пользователя Карабас в Теория и практика конструирования АС
Коллеги, лет так 7-8 назад был интерес к рупорному оформлению... Прямо душа запала на Тыловой Рупор Бориса Борисовича, барбарисхорн который... Собрал кучу материала... сам изрядно почертил... сделал раскладку слоеного рупора из фанеры для фрезерного ЧПУ станка... потратил кучу денег, кучу времени, сил... Динамики 100ГДШ-33-8 НОЭМА ... Помню Анатолий Манаков сильно отговаривал меня от этой затеи.... не послушал его... очень уж внешний вид рупоров ослепил сознание... в результате продал их по цене дров... так у меня с рупорами и не срослось ничего... Не было там НЧ регистра достойного... зато габариты по 100кг каждый... В общем кому интересно... все материалы по рупорам которые я сохранил у себя тут https://drive.google.com/file/d/1qu8T3S3wIwNmgUSHfcLh03tYxEq43PMw/view?usp=sharing -
Ламповый темброблок
Климентий ответил в теме пользователя Климентий в Устройства обработки и преобразования
коллеги, упрощенно входной и выходной каскады кто может нарисовать? без тембральных цепей...не могу сообразить как ... -
Пример изготовления такого корпуса... Нержавейка + лазерная резка + гибка чпу + 3D печать угловых стоек... Кто скажет что некрасиво?
-
Класс! У самого лежат несколько 10гдш ... Старые на поролоновом подвесе и с алюминиевой корзиной... Подвесы рассыпались... Было бы интересно такой апгрейд им сделать... Да ещё с коноплей... Вообще красота...
-
У вас своё производство? Или просто собираете коллективный заказ для отправки на завод? У меня тоже есть некоторые потребности в корпусах... Вопрос в технологических возможностях и цене...
-
ПаяльнеГа нет... ПаяльниК имеется... А касательно КИТов... Очень это дорогое удовольствие... Сейчас цены на металл и материалы просто космические... Заказать корпус на заводе си лазерной резкой, гибкой ЧПУ, из нержавейки или с порошковой покраской... Ценник заоблачный. Да и нет у меня времени и желания кит наборы выпускать... Нерентабельно это. Поэтому просто выложил материал. Кому интересно готов скинуть детальные части проекта... Чертежи корпуса, макеты плат и тд...
-
Коллеги, приношу извинения... Тут вышла опечатка. Никаких услуг я не предлагаю. Никакой коммерции у меня нет. Этот проект разрабатывал для себя. Просто у меня подход такой основательный... Было время, поэтому разработал... Этот проект я хотел выложить в ветке про усилитель Анатолия Манакова на 6ф3п не для коммерции, а с целью поделиться информацией, безвозмездно. Никакого серийного производства и тд не предполагается... Прошу администрацию сайта перенести эту информацию в ветку по усилителю на 6ф3п.
-
Компактный ламповый усилитель для компьютера.
Климентий ответил в теме пользователя U.L.F. в Усилительные устройства
-
SE 6Ф3П. В железе ещё не собран... Но проект разработан... Если кому интересно могу поделиться... Моноплаты для каждого канала... На платах блок питания и усилитель... Только подпаять трансы и вход... Коммутации и проводов минимум... Для новичка самое оно... Шансов допустить ошибки монтажа при сборке - минимум... Нахожусь на Дальнем Востоке, город Свободный. Мой телефон для WatsApp +79177810451
-
Актуально...
-
Ламповый темброблок
Климентий ответил в теме пользователя Климентий в Устройства обработки и преобразования
Есть всё таки иногда потребность в темблоках... У меня есть фонограммы в которых явно преобладает НЧ... Даже на малой громкости... А стоит прибавить громкость НЧ сносят с ног... Приходится НЧ немного прибирать... Но потом другие фонограммы звучат сухо... В общем не всегда универсальные настройки подходят ко всему музыкальному материалу... -
Ламповый темброблок
Климентий ответил в теме пользователя Климентий в Устройства обработки и преобразования
Интересная схема... Первый каскад не понятно как реализован... -
Ламповый темброблок
Климентий ответил в теме пользователя Климентий в Устройства обработки и преобразования
Уважаемый Phlanger, ваше ревностное отношение в мой адрес мне непонятно...если у вас есть какие-то личные комплексы, держите их при себе... мне ничего не нужно от вас лично...ни на блюдечке, ни на вынос, ни на месте, ни как-то еще... Можете не участвовать в обсуждении данной темы... никто не принуждает... а влазить в чужую тему и сходу хамить... И совет Вам на будущее... почитайте учебники по русскому языку... ваши посты читать неприятно... сплошные ГЫ-ГЫ, Хе-Хе... и Дембецилы...