Перейти к публикации
SONUS - сообщество

Климентий

Участники
  • Публикаций

    199
  • Зарегистрирован

  • Посещение

  • Дней в лидерах

    13

Все публикации пользователя Климентий

  1. Анатолий, спасибо! А то я вчера перелопатил половину в старого АП в поисках этих данных. Но много интересного попутно прочитал.
  2. Анатолий (ГЭГЭН) мастер своего дела! Сколько раз я не прислушивался к его советам, столько раз приходилось переделывать...
  3. Анатолий, так сложилось, что я второй месяц нахожусь в командировке далеко от дома. Сейчас могу только теоритеяескую часть прорабатывать вечерами после работы в гостинице. Поэтому так много пишу... Как только вернусь домой возьмусь за дело... И будут результаты. ТВЗ для 13вт будет могучий.
  4. Ну всё. Убедили. Запас в 40шт думаю хватит до конца жизни... И сыну ещё останется... Сейчас закупаю 6с4п-ев 60шт. Произведу замеры. Вах всей партии выложу тут. Далее модель в симуляторе сделаю... Всё тут буду выкладывать для обсуждения...
  5. Прикупил... В паспорте на 6п36с указан срок службы не менее 2000час. Сколько по факту они работают? Есть у кого-то реальный опыт долгой эксплуатации? Спрашиваю, чтоб понимать сколько нужно иметь ЗИП на будущее...
  6. Набор продан. Тему можно закрыть. Усилители благополучно запущены новым хозяином.
  7. Помню на старом Аудиопортале, Анатолий Манаков выкладывал ВАХ 6п36с с нагрузочной линией, интересный был режим...в пентоде кажется...Не могу найти у себя... Может кто-то сохранил... Там я помню мощность выходная была больше 10вт если память не изменяет... Интересно обсудить данный режим и схему практической реализации... Входной каскад и тд... Есть желание собрать такого зверя
  8. Климентий

    Ламповый усилитель

    Такую красоту в корпусе спрятали... Такие трансы должны глаз радовать...
  9. Может транзистор возбуд ловит? Я свои полевики irf830 успокаивал однажды... Генерили не по детски... Параллельно vd3 ставил кондер на 0,1мкф х 50в. Часто ставлю транзистор irfp460. Выдерживает любые издевательства...
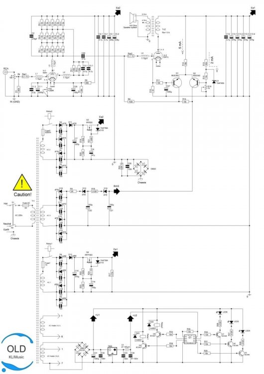
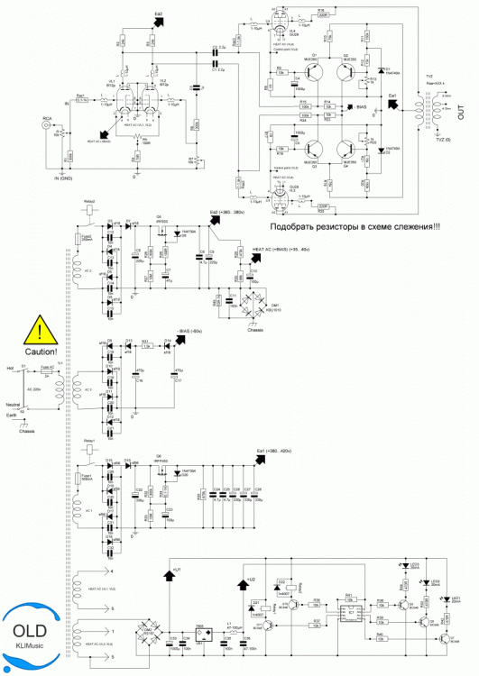
  10. Несколько раз встречал на ютубе этого клоуна... Лепит хрен пойми что... И называет это усилителем... Потом ещё подключает к гитарному комбику включает музыку и звуком восхищается... Жесть в общем. Не советую повторять...
  11. Да, мне именно при прямом сравнении ламповый показался приятнее... А при длительном прослушивании ламповый ещё менее утомляющий...
  12. В чем доброго дня... И с праздником ком 1 мая... Было немного свободного времени... Собрал в одну систему ламповые моноблоки по схеме Уильямсона и транзисторные моноблоки из данной темы... Сделал видео... https://vk.com/wall533610235_286
  13. Ага... Ещё с бубном побегать вокруг картинки... Нет уж... Это всё датжек сам должен делать...
  14. Да уж... Качество графики жмётся безбожно...
  15. Пожалуйста...
  16. Всё ещё актуально... Доделать нет возможности... Разобрать жалко... В результате лежит без дела... Могу рассмотреть обмен на что-то интересное... Предлагайте...
  17. Надо изучить... Для поумнения... Кстати, то что я ссылки на другие ресурсы выкладываю... Это не запрещается? Просто заливать видео каждый раз трудозатратно... А ссылку кинуть 1сек
  18. https://drive.google.com/file/d/11GRq6-vcgby_YGDuHQvtlhLQyGwxMitL/view?usp=drivesdk Немного видео...
  19. Анатолий я это понимаю... Вот народ не понимает... Что по видео снятому на телефон качество первоисточника понять невозможно... Видео выложил для подтверждения факта, что усилитель я такой делал... И он работает. Но не для впечатлений... Прошу администрацию удалить мой аккаунт.
  20. Кто бы сомневался... В очередной раз убеждаюсь...
  21. ссылочка на виде работы данного усилителя... https://vk.com/old_klimusic?z=video-180545256_456239017%2Fbfb05b4f6e89526d59%2Fpl_post_-180545256_13
  22. Движок сайта сам сжимает изображения... Портит качество... Да, обратите внимание на анодные резисторы и сеточные УЛ включения, для первой лампы... они должны быть с запасом по мощности... иначе перегреваются в уголь 🙂
  23. Схема слежения на паре транзисторов... держит режим идеально... смещение при этом фиксированное, и никаких горячих резисторов в катоде 6с33с не нужно...
  24. Вечером скину схему в хорошем качестве.
  25. Делал себе аналогичный усилитель, со схемой слежения на дифкаскада. Ток держит идеально! Рекомендую. При этом сохраняется полноценное фиксированное смещение
×
×
  • Создать...