noob
Участники-
Публикаций
218 -
Зарегистрирован
-
Посещение
Тип публикации
Профили
Форум
Articles
Галерея
Календарь
Файлы
Блоги
Все публикации пользователя noob
-
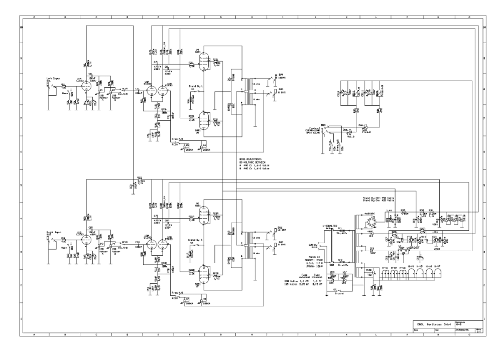
всё. со всем разобрался, кроме работы ручки "Presence". похоже в схеме Engl e840 ошибка в этой части схемы. Подскажите чего там не хватает и как исправить
-
как вот это вот чудо корректно перевести на 6п14п и подобные лампы? нужно получить маломощный эквивалент. Анодного 310В . уже пересобрал почти "в лоб", но на слух вышло, ожидаемо, что-то не то. собира на базе Yerasov GTA-15R. Схема в аттаче.GTA-15R(old).pdf
-
Очередной гибридный усилитель
noob ответил в теме пользователя Phlanger в Гибридные каскады и устройства
ага.. a тут при выводе лампы из микротокового режима, помимо прочего, ещё и R15 надо уменьшать... -
Очередной гибридный усилитель
noob ответил в теме пользователя Phlanger в Гибридные каскады и устройства
очень интересно. особенно если можно таким образом и снижать до единицы или около того(читаем как "регулировать громкость"). в моём гитарнике это очень полезно будет, поскольку на пути сигнала будет одним аттенюатором меньше -
Очередной гибридный усилитель
noob ответил в теме пользователя Phlanger в Гибридные каскады и устройства
а как именно отличаются? -
Очередной гибридный усилитель
noob ответил в теме пользователя Phlanger в Гибридные каскады и устройства
из интересного.. в паспорте на 6ж5п указано что при питании накалов от 5,5В можно получить меньшую крутизну характеристики. ну то есть любой лайфзак за счёт недокала.. так получается? -
Очередной гибридный усилитель
noob ответил в теме пользователя Phlanger в Гибридные каскады и устройства
ну тут как бы от жадности хочется компромиссные Ra и Rg2 посчитать, чтоб сохранить возможность простого перетыка ламп. вот у меня и получилось Ra примерно 4к, Rg2 в районе 100к. компромисс нужен в большей степени чтоб на макете выбрать наиболее подходящую на моё ухо лампу. насчёт запаса по усилению.. у меня перед оконечником есть ещё преамп на оу, который заправляет мягким ограничением и через него же можно и запас усиления получить, и защиту от перегрузки ВК. он просто не выдаёт больше 0,7В. а ещё он ограничивает полосу до гитарных значений(точно не помню, но вроде от 80Гц до 8кГц). -
Очередной гибридный усилитель
noob ответил в теме пользователя Phlanger в Гибридные каскады и устройства
ну то есть, если я правильно понял, в схеме ROSA HB-1 Ra меняем примерно на 4.7кОм и Rg2 раза в два-4 сокращаем и потом только в зависимости от выбранной лампы подстраиваем ток анода. Верно? -
Очередной гибридный усилитель
noob ответил в теме пользователя Phlanger в Гибридные каскады и устройства
ну как бы и в микротоковом режиме прокачивает до меандра на выходе, при том что питание выходного каскада +-40В... или вы о том что в нормальном режиме разница ламп именно в звуке будет более заметной? -
Очередной гибридный усилитель
noob ответил в теме пользователя Phlanger в Гибридные каскады и устройства
понял-принял) а по Ra что скажете? держим как по схеме, в микротоковом режиме или в обычный переводить? -
Очередной гибридный усилитель
noob ответил в теме пользователя Phlanger в Гибридные каскады и устройства
Ra по прежнему под микротоковый режим или по паспорту? если виброзвон, то 6ж38п отпадает тогда. мне в комбоувеселителе такое не надо) из упомянутых ламп какие ещё звенят? -
Очередной гибридный усилитель
noob ответил в теме пользователя Phlanger в Гибридные каскады и устройства
какой режим посоветуете для 6ж38п и 6ж4п? -
Очередной гибридный усилитель
noob ответил в теме пользователя Phlanger в Гибридные каскады и устройства
тетрод или пентод мне не принципиально) да и на плате сделано всё чтоб работали оба типа ламп на эту цоколёвку -
Очередной гибридный усилитель
noob ответил в теме пользователя Phlanger в Гибридные каскады и устройства
общую ООС в моём случае можно игнорировать(но я не буду) и пользоваться только местной. намёк понял) буду играться с нормальными режимами. 6ж38п уже заказал. спасибо) -
Очередной гибридный усилитель
noob ответил в теме пользователя Phlanger в Гибридные каскады и устройства
именно что нужна. эти лампы вроде как по звуку сильно отличаются и в среднечастотном диапазоне 6ж3п и, особенно, 5п дают очень интересный окрас, если верить интернетам. поскольку я делаю усилитель для гитары, то именно это свойство очень важно. в конечном итоге буду дорабатывать печатную плату чтоб просто тумблером щёлкать режим при смене лампы, но это после испытаний на макете. -
Очередной гибридный усилитель
noob ответил в теме пользователя Phlanger в Гибридные каскады и устройства
вы правы. с 6ж2п изменений не было. это я по запарке её в кучу добавил) меня не удивляет то что усиления больше. вопрос только в том какой режим выбрать для 3п и 5п. усиление скорректировать не проблема ещё по входу. но думаю обвязку под 3п и 5п надо пересчитать...(или не надо?) -
Очередной гибридный усилитель
noob ответил в теме пользователя Phlanger в Гибридные каскады и устройства
смысл именно в применении бумагомасла. преамп может гнать много резких и отвратительных ВЧ и призвуков, которые никакие фильтра не устраняют без того чтобы угробить то что должно остаться в звуке. зато с этим прекрасно могут справиться "окрашивающие" кондёры вроде к42у-2. к40у9 не пробовал, но они вроде как мыльные, что тоже нежелательно. в принципе можно отдельные перехдные платки поделать чтоб аккуратность монтажа осталась без изменения платы(скорее всего так и сделаю). там как раз и пространства для этого хватает -
Очередной гибридный усилитель
noob ответил в теме пользователя Phlanger в Гибридные каскады и устройства
радиатор хорошенький) у меня тоже где-то валяется похожий, но от Pioneer VSX-D409 -
Очередной гибридный усилитель
noob ответил в теме пользователя Phlanger в Гибридные каскады и устройства
та пока просто макет из плат Лепёхина и такой-то матери) печатки те же что Вы используете в своих усилителях. для охлаждения использовал процессорный кулер с радиатором под Socket 478, а по итогу это всё добро будет стоять внутри комбоувеселителя, а радиатором будет шасси(но это не точно). только вот печатку БП я переделаю под импульсное питание анода и накала. А то сейчас жменька модулей некрасиво висит.. мне вообще не нравится) Не хочу городить огромные ёмкости с удвоителями) ещё две вторичные обмотки тоже не хочу) не по мне такая возня.. да и вообще в конечном итоге хочу полностью импульсное питание. А займусь этим уже когда трансформаторы закончатся) -
Очередной гибридный усилитель
noob ответил в теме пользователя Phlanger в Гибридные каскады и устройства
хххоооспаде.. вот это нагрев!!! а можно как-то ввести ему термостабилизацию выходного каскада? -
Собственно сабж: мне нравится этот оконечник, поэтому при переделке гитарного комбика хотел бы оставить только его. А ещё упростить преамп. самое не понятное здесь для меня это на что поменять ic102 (cd4069). без неё 0 на выходе не устанавливается и ток покоя значительно выше чем надо. и второе(уже проще) ic103 и ic106 так же хотелось бы убрать и я не придумал ещё на что именно. в принципе у меня есть целевой преамп который хотелось бы приколбасить сюда, но так же было бы круто заменить входную часть оконечного усилителя на лампу(как в гибриде Rosa HB-1). Ну и под шумок всей этой возни может и мощность увеличил бы, но это не точно. А вот с предом и ic102 разобраться по-любому надо и в этом я прошу помощи форумчан. Заранее премного благодарен всем откликнувшимся и, в особенности, оказавшим помощь. 🙂
-
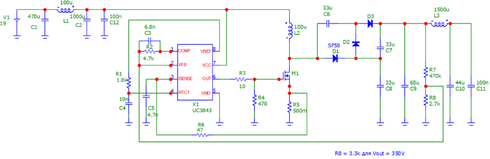
финальный вариант схемы. уже работает в преампе. частота ШИМ 96кГц. при нагрузке на две лампы 6н2п-ев пульсации в районе 10мкВ. Мощность ограничивается в большей степени катушкой L2, затем возможностями диодов и мосфета
-
Очередной гибридный усилитель
noob ответил в теме пользователя Phlanger в Гибридные каскады и устройства
мой вопрос был о пределах значений hfe, а не о том что подбирать по минимуму разбросов нужно. у меня все bd139-10 имеют hfe в районе 140-160, а 139-16 от 170 и выше. то же самое и о bd140-10 или 16. но есть и bd140 без индексов, так там hfe и 250 и 400 не редкость. пары уже подобрал, но что толку если окажется что надо было с hfe не более 100 или вообще 50 как у кт817? -
Очередной гибридный усилитель
noob ответил в теме пользователя Phlanger в Гибридные каскады и устройства
а по этому вопросу что? -
если ничего другого нет, то можно. приемлемый получится вряд-ли, но как-то работать будет