-
Публикаций
62 -
Зарегистрирован
-
Посещение
-
Дней в лидерах
2
Тип публикации
Профили
Форум
Articles
Галерея
Календарь
Файлы
Блоги
Все публикации пользователя ТаргеТ
-
Думаю "дует" с тора. Попробуйте между лампами и торами временно поставить железную пластину 3 мм и толще. Сразу все ясно будет.
-
Предложения по работе форума
ТаргеТ ответил в теме пользователя VSS в Общие вопросы и работа ресурса
Только через ВПН г. Волгоград "Замуровали демоны..." -
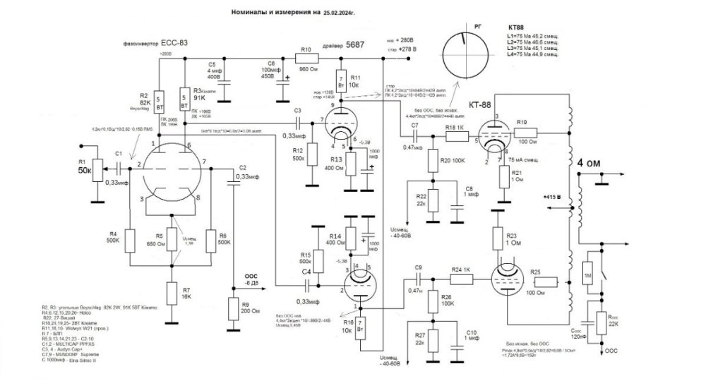
Интересный вариант (усилитель больше для рока), для его реализации на вторую сетку надо подать напряжение на 10-15% меньше чем анодное, только как это реализовать? через делитель напряжения от Еа? По графику в тетродном включении Rаа около 7К в "А" классе.
-
Спасибо. Силовой трансформатор есть. Поэтому для вых. каскада следующие режимы будут: Еа +280В, ток 0,1А (две обмотки на каждый канал, режимы для одной), выпрямление - мостовая схема на ПП +CLC Посмотрел ВАХи, надо с чего-то начинать. С учетом того, что для начала есть вых. трансформаторы со следующими данными: Толщина набора 30 мм. Толщина пластин 0.35мм, S=9 кв.см. Имеем первичной обмотки 2700х2, итого 5400 витков. Имеем нагрузку динамика на 4 ом. Имеем 139 витков вторичной обмотки. 5400 делим на 139 витков, получаем Ктр 38,85 38,85х38,85= 1509 1509х4 Ом получаем Raa - 6036 ом ( учетом активного сопротивления первички 6,4К). Делим 6,4К на 2 для А класса, получаем Ra -3,2К на плечо. Выходит, что 6П18П (0,9~1к), так? Надо с чего-то начинать в макете. Если не понравится - выходники под перемотку.
-
Не совсем понимаю изложенное Фленжером, что и с чем он сравнивал, но вот по схеме на вых. лампах 6П1П, приведенной им в посте, есть некоторые вопросы (собираюсь реализовать РР на 6П1П или 6П18П- пока выбираю). Раскачивающий каскад ФиРН, можно ли вых. лампы перевести в псевдотриод, и какой Raa будет? Если Фиксированное смещ., то резистор утечки сетки 6П1П 250-300 К?
-
Скажите пож. что у вас за выходники? Где покупали?
-
Я еще на старом АП вот по такой схеме собрал. ЕСС83 можно заменить тангусрам или RFT недорогие или наш аналог. Вместо 5687 - 6Н6П подстроить только катодные резисторы, ну и накал ес-но. Звук динамичный, напористый, с тугими колонками без проблем. Выходные любые - все КТ до 120, елки, палки...
-
Не нашел подходящую тему. Если что, пож. перенесите. В корректоре давно работает EZ81, на ВАХ есть график зависимости Ia от Va, подскажите пож. напряжение между чем и чем измерять (№ ножки). Хочу понять насколько он ещё годный.
-
Да в том и дело что BLK - это сам тонарм, средний pin в 5DIN разъёме и он не соединяется ни с одной точкой +L-L +R-R и не соединяется с шасси корпуса, поэтому как бы висит в воздухе. Фонокабель включен в МС-трансформатор. Хотя именно от точки BLK один экран я не отрывал, но отрывал один экран с другой стороны кабеля и было хуже. Может потом - надоело их туда сюда паять, музыку слушать охота.
-
Фильтры акустических систем
ТаргеТ ответил в теме пользователя Ден123 в Теория и практика конструирования АС
-
Фильтры акустических систем
ТаргеТ ответил в теме пользователя Ден123 в Теория и практика конструирования АС
Это нормальное экономическое поведение. А Вы ещё и специалист по расчету себестоимости продукта? Я Вас уверяю (как специалист в области ценообразования), цена тут же из копеечной станет рублевая, а затем долларовая. Что за АС-то? А то даже не понятно о чём речь. -
-
Фильтры акустических систем
ТаргеТ ответил в теме пользователя Ден123 в Теория и практика конструирования АС
По Вашим понятиям, "нормальный" - это с мундорфами и дженсенами? И снижение сопротивления катушки с 6 Ом до 2 Ом? Такое снижение всегда во благо? Вы их сможете увидеть когда отечественные объёмы производства АС сравняются с глобальными, так как И, отсекая острой бритвой невероятные события, резюмируем, что отечественные производители нас так и будут радовать. P.S. Я, например, тоже себе в корректор поставил танталовые резисторы, не пожмотился, так сказать, порадовал себя. -
Фильтры акустических систем
ТаргеТ ответил в теме пользователя Ден123 в Теория и практика конструирования АС
Давайте по гамбургскому счёту... Из Ваших длиннющих постов и пояснений я пока только вижу Ваш маркетинг по продвижению услуг по апгрейду фирменной акустики. Кто-то повелся... и дал Вам возможность заработать. Вот если бы во всех фирменных колонках стояли лучшие и отборные детали, то что тогда? А так и у Вас хлеб с маслом, что хорошо.😀 -
На верхнем моем рисунке провод -R соединен с экраном кабеля со стороны фонокорректора , а на Вашем рис. со стороны источника, но в обеих случаях второй конец экрана висит в воздухе, т.е. цепь помех разомкнута. Именно по Ваше схеме у меня распаяны все межблочники. Теперь какой лучше соорудить фонокабель: есть Моgаmi 2964, где 1 жила в экране (коаксиальный) и на -R припаять экран, а на +R сигнальный провод, и есть 2-х проводной балансный Mogami Neglex 2549 и распаять его как на первом рисунке, т.е. со стороны разъёма 5 DIN сигнальный провод+R и другой провод -R, а экран в воздухе. Со троны RCA (корректор) провод -R соединять с экраном. ??? Использую как МС (АТ33) так и ММ головы (АТ13), тонарм SAEC 308.
-
ГЭГЭН С ДНЁМ РОЖДЕНИЯ.
ТаргеТ ответил в теме пользователя ВВФ58 в Информация участников и для участников
Анатолий Иосифович с Днём рождения. Здоровья и терпения, всего наилучшего. -
Вот так и монтирую тоже: снизу резистор вдоль, а сверху поперек и получается очень гармоничное сочетание нескольких звуков, тьфу, резисторов конечно... Н вот, я и печатными платами совсем не брезгую.
-
Посмотрим на на схемы наших усилителей: все связи между элементами параллельно-перпендикулярно. Почему? Напрямую-то чертить быстрее, экономнее, меньше чернил-карандаша тратится, ну а спец. и в кривой схеме разберется на раз-два... Не...? Иной от руки начертит схему, а ему указывают, мол 21 век на дворе... (лично читал такие замечания, но в принципе согласен). Потом, в своем большинстве все тут делают аудиоконструкции, а не радио, возбуд и прочее паразитное генерирование может быть и здесь, но не стоит этим прикрывать хаос в монтаже. Уверен, что конструкций с аккуратным монтажом и не генерящих гораздо больше. И да, речь про навесной монтаж.
-
Точно. Посторонний человек не сразу и с трудом разберется. Надо же думать и и о ремонтопригодности в т.ч. и когда схемы нет на руках. Как говориться "чёрт голову сломит..." Я не понимаю, почему нельзя совместить чтоб "...Красивая и умная..."
-
Взял Моgаmi 2964, 1 жила в экране. Ёмкocть жилa-экран на 1м - 65 ПФ. До этого был какой-то винтажный сименс микрофонный, померил жила-экран 170 Пф на метр.
-
Для МС картриджа лучше взять фонокабель с низкой погонной емкостью 60-100 пФ?
-
Для балансового соединения фонокабеля, тогда нужно со стороны источника (т.е. картриджа) соединить поканально R- или L- с экраном кабеля, а на стороне нагрузки экран оставить в воздухе, правильно?. Как на нижнем рисунке КАА. На выходе МС трансформатора просто сигнальный провод в экранной оплетке . У FRT-4 он встроенный. Никакого балансового подключения не получится всё равно.
-
Приветствую. Купил МС трансформаторы FRT-4 и там кто-то отрезал родные коннекторы и припаял дешёвые. Решил поменять на Furutech -126. Ну в общем там всё просто - два сигнальных провода в оплетке и отдельно земляной провод. Заодно такие-же коннекторы решил приделать к своему фонокабелю. А вот фонокабель уже 2 сигнальных провода в оплетке. С одной стороны к тонарму 5-DIN разъём с другой RCA. Ранее паял вот по такой схеме: Видно, что со стороны источника экранный провод висит, а со стороны приемника (у меня это вход МС трансформатора) оплетка экрана соединяется с проводом R- или L-. Правильно ли это? На старом АП обсуждались схемы правильной распайки межблочного кабеля. В частности КАА, приводил такой рисунок: и видно, что оплетка экрана соединяется с минусовым проводом со стороны источника. У меня так все межблочники распаяны. Но вот не совпадение на двух рисунках. Как же правильно?
-
Фильтры акустических систем
ТаргеТ ответил в теме пользователя Ден123 в Теория и практика конструирования АС
Да, просто я разнес понятия тока и поля