Dilin
Участники-
Публикаций
49 -
Зарегистрирован
-
Посещение
-
Дней в лидерах
3
Тип публикации
Профили
Форум
Articles
Галерея
Календарь
Файлы
Блоги
Все публикации пользователя Dilin
-
Вообще то пропитка трансформатора и заливка в кожух совсем не одно и то же ,о чем я собственно и написал .
-
Влияние на АЧХ может оказать заливка катушки ,увеличив паразитную емкость ,обычно заливка в кожух это способ крепления трансформатора в нем ,просто, дешево ,сердито ,влагозащищено ,на счет перегрева ,если трансформатор правильно рассчитан, намотан и не перегружен ,не перегреется . При заливке можно закрыть боковые просветы со стороны катушек ,так чтобы компаунд не протекал внутрь и будет залита только нижняя часть ,для крепления хватит ….(уже не вспомню где но видел такое ) Как то так ИМХО
-
Ламповый усилитель 6Н2П + 6П14П
Dilin ответил в теме пользователя Алексей Волгин в Ламповая схемотехника
Собственно наглядно подтверждает ,что ВАХ более линейна при больших токах и что (номинальный для 6Н2П вроде 2 плюс минус ) На фоне КНИ акустики услышите ли вы разницу между 0,14 и 0,5 -
Ламповый усилитель 6Н2П + 6П14П
Dilin ответил в теме пользователя Алексей Волгин в Ламповая схемотехника
Ну да ,до этого задал тот же коротки вопрос на другом форуме сутки назад ,ответ так же не получил советов получил много , вопрос короткий "почему так " ,короткий ответ : потому что ВАХ не линейна и более нелинейна при меньших токах ,какой там у вас ток при разных сопротивлениях ..... Так же около научное, меньшее усиление означает и меньшее изменение тока лампы ,а значит она работает на более коротком отрезке ВАХ , который относительно "линейный" чем более длинный участок при большем изменение тока (усилении) ..... -
Ламповый усилитель 6Н2П + 6П14П
Dilin ответил в теме пользователя Алексей Волгин в Ламповая схемотехника
Возьмите ВАХ ,нарисуйте там нагрузочную для 20К поставьте Ваше получившееся смещение и посмотрите в какой части характеристики трудиться лампа,сдается мне вы загнали ее в предельные режимы ,если не запредельные ,трудиться будет линейно но не долго .. Линейность каскада можно повысить убрав шунтирующий катодный конденсатор не загоняя лампу в не свойственные ей режимы ИМХО разумеется -
Ламповый усилитель SE 6Э5П-6П45С А.И.Манакова
Dilin ответил в теме пользователя ЧАК в Усилительные устройства
Посмотреть АЧХ после первого каскада ,после второго в аноде и сделать выводы . -
Геген писал об этом неоднократно и если погуглить то найти не составит труда Цитата : "Это дополнение к катодному конденсатор, улучшающее звучание и динамику. Улучшающее тем, что этот конденсатор "ultrapath" получается включенным не последовательно с блоком питания (точнее, последовательно с конденсатором БП), а замыкает ток нагрузки на себя. Т.е. получается замкнутый контур : лампа-нагрузка-конденсатор. Конденсатор хорошего качества. Конденсатор ultrapath укорачивает путь для звукового сигнала. Без конденсатора анодный ток лампы замыкается на нагрузку по пути - лампа-цепь автосмещения-блок питания-нагрузка. С конденсатором - лампа-конденсатор-нагрузка. Эффекта плавающей рабочей точки при автосмещении этот конденсатор не устранит. " От себя БП должен быть хорошего качества почему понятно ....
-
-
О Китайских приколах : Чуть больше года назад дочь в Турции, на известном там сайте, купила внешний жесткий диск ,с гарантией на год все как положено ,неделю назад начал глючить (периодически срабатывала парковка головок и диск переставал опознаваться) ,решил ,на всякий случай ,поменять контроллер уж очень на него похоже было ,открыл коробку контроллер заменил ,а прикол вот в чем ,диск куплен как Seagate Expansion HDD (написано на коробке) внутри обнаружил HDD Western Digital с номером и и все дела как положено ,а данные оборудования в винде говорят ,что это ADATA тоже с номером устройства и прочими деталями и такой реально существует . Вот такие вот приколы кооперации. PS по сборке ,самое сильно греющееся место было обвернуто фольгой типа экран ,после того как из коробки достал фольгу убрал глючить перестало .
-
У меня такой щелкать начал через пол года ,видимо мне на них не везет ,галетный китайский спекся через год ......
-
При том уровне радио-электронного загрязнения, это по меньшей мере странно ,вот такая штука (приложено) ,повторитель Уайта (полторы детали ) ловил радио при снятой передней крышке ,а РР усилитель с лампами на выходе EL33 придвинутый к стене фонил с закрытым входом ,отодвинутый не фонил и не фонил с EL 84 на выходе вне зависимости от положения ,вообще не спроста вся нормальная аппаратура делалась как минимум на металлическом шасси с определенного времени , правильная трассировка залог отсутствия лишних проблем ... Да причем на одной квартире с EL33 фонил у стены ,она была железо бетонная ,а на другой нет, стена пено-блоки ...... К слову о печатном монтаже ,корректор на 6Н2П ,тоже полторы детали ,впадал в возбуд причем не всегда как то время от времени (выражалось в слабом жужжании ,которое исчезало при касании к корпусу или само собой),после перенесения цепи коррекции (коррекция была активная еще и с ПОС) с печатки на навесной монтаж фактически между ножками ламп проблемам исчезла как класс .....хотя и трассировка вроде правильная и связи короткие на печати были ,но факт остается фактом....и да она бала обнаружена в квартире с ЖБ стенами
-
Наверно потому ,что постороннему человеку нехрен там делать ,особенно без надлежащей квалификации ,мой дядя светлая ему память говорил "инженеры все продумали ,технологи просчитали ,монтажники сделали ,а потом приходит радиолюбитель в грязных сапогах и все потопчет ......." Я выкладывал монтаж Scott 399 так вот у меня понять что куда зачем и где заняло мину 30 и ни одного лишнего провода или пайки найдено не было за исключением пожалуй распайки выходных через промежуточную колодку ,да и то с точки зрения влияния на другие части монтажа пожалуй все сделано правильно хоть и с лишней пайкой и проводами .
-
Ну нет такой культуры и быть не может ,есть инженерно правильная трассировка ,есть технологически правильная пайка ,все остальное (крестиком по канве )это не для красиво, это для технологичности (удешевлении ,упрощении сборки ,в том числе снижении требований к квалификации сборщика (печатный монтаж это шаг к технологичности при использовании ламп ,при использовании ПП приборов тем более ,по вполне себе понятным причинам) ,технологичность инженерная "правильность " зависит от квалификации технолога,да и температурные режимы в ламповой технике подразумевают особые требования к печатной плате ,припою , расположению элементов ,охлаждения конструкции ,что во многих случаях просто вызывает оторопь и точно такие конструкции не протянут 50-80 лет и там ничего просто не отвалиться.....(ламповые ТВ с печатным монтажом тому пример ) Ремонто-пригодности и настройки ,так конвейерное устройство подразумевает под собой минимальную настройку при помощи настраиваемых элементов (подстроечных резисторов и т.п.) ,а ремонт подразумевал замену лампы , не как не рытье в подвале это уже экстремальный случай. ЗЫ Еще в далеком 1979 (будучи школьником ) я делал интегральный усь на камнях ,применяя печатные платы собственного рисования и травления ,однако, когда делал ламповый магнитофон (в то же год) даже в голову не пришло отказываться от навесного монтажа (специально искалось шасси под лампы), связи короче ,паек по факту меньше , то что нужно настраивать настраивалось " настраиваемыми элементами" и все было чики пуки .....🙂
-
Нет такой инженерной дисциплины «красивый монтаж» ,есть промышленный дизайн не относящийся к монтажу ни как, представленное выше ,технологичный монтаж ,который противоречит правилам трассировки, имеет право на жизнь и использовался при условии минимального влияния на конечный результат . Технологичность сборки изделия часто противоречит инженерно верной трассировки монтажа .
-
-
Единственное что нашел , продавал такое Newartvinyl вроде бы, может попробую обратиться к ним.
-
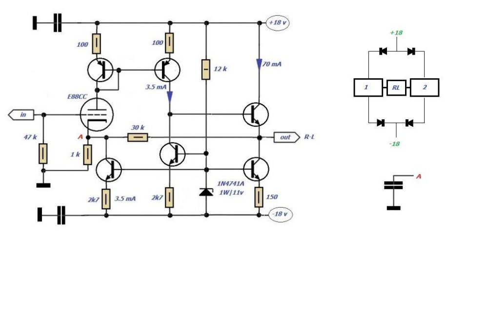
Доброго всем,ищется схема на ламповый пред ,самоделка ,сделана промышленно ,качественно на борту в питание 6ц4п ,в корректоре12ах7-3 ,в тембр блоке 12аu7-1 есс88-1 можно конечно срисовать но муторно слишком и разбирать нужно по шурупчикам . Фото внешнего вида и внутренностей прилагаю
-
Вот гибрид без конденсаторов совсем 🙂,не собрал по причине проблем со здоровьем ,полностью транзисторный, на германии делал лет семь назад не победил температурную нестабильность до конца ........так и валяется
-
Однотактный усилитель 6П13С, 6П31С
Dilin ответил в теме пользователя megavolt84 в Ламповая схемотехника
Да не важно ни разу Ваш БП ,фона тем более 50Гц от ноута быть не может ,неоткуда там ему взяться ,речь только об это ,откуда его надуло вопрос другой -
Однотактный усилитель 6П13С, 6П31С
Dilin ответил в теме пользователя megavolt84 в Ламповая схемотехника
ИМХО конечно ,только у ноутов БП импульсный и никаких 50 Гц там по питанию нет от слова совсем .... -
Написано все на трансе http://tec.org.ru/board/
-
Остается для полноты счастья включить туда вариант с автофиксом и ОС +ПОС и будет полный комплект вариантов и отверстий .....
-
Вы уже эту схему когда то публиковали и Вам писали ,что дросселя в сетках и аноде излишества и даже почему писали (не ставят дроссель и резистор одновременно ),включение выходного каскада триодное или пентодное зачем там R8 если триодное ,зачем другие ОС и ПОС если пентодное уже рисуйте две разные схемы они совсем идеологически разные ,неокрепший ум соберет такое и порадуется ,да и просто из уважения ,Raz никакие не 0,1 -1К ,а 1 -1,5К ,ток выходного каскада связан с Еа (ну или с Ua если угодно )так, что бы рассеиваемая мощность не превышала 9Ватт ,так что Еа обозначьте ,если ток указываете ,R3 если уж совсем чтобы кошерно 43-47К . ЕД на мое ИМХО не очень Как то так. ЗЫ L4 Он зачем ,ну поставьте один на выходе БП ....
-
Я его собирал лет 6 назад или больше,мне пентодное включение нравиться ,звук более точный и динамичный ( ИМХО разумеется в дискуссию вступать не намерен ),у меня все пентодное ,мощность измеренную уже не помню ,25 АС 033 раскачивал легко и очень громко ,317 без радиатора не нужен ,стабилитрон нашел в тумбочке на 150 В ,в крайнем усилителе ставил два последовательно по 75 с рынка неизвестной марки ,220 мФ в сетке все таки излишество 50 хватило бы вполне усилитель был вставлен в ресивер в качестве замены штатного ,ТБ отключен только тон компенсация ,в свое время знакомый владелец Onkyo сильно расстроился послушав ....
-
Так в покемон с источником тока ,и не "кошерное" пентодное включение вот и много ,схеме ниже дросселей с сетках нет ,глупости это ,антизвонные резисторы стоят