Перейти к публикации
SONUS - сообщество

VAV

Участники
  • Публикаций

    16
  • Зарегистрирован

  • Посещение

Все публикации пользователя VAV

  1. Может можно сделать приемлемый РР усилитель на 6Р3С в тетроде?
  2. Анатолий Иосифович, если бы Вы делали такой усилитель для себя, по какой схеме и с режимами делали бы 1й каскад на 6Ж8? С уважением, Андрей
  3. VAV

    Нужны ПЛК-7 под лампы СГ

    Такие?
  4. Да, отличная, проверенная схема, повторял не раз! Звук отличный за небольшие деньги, отечественные лампы пока доступны и недороги. Выходные трансформаторы можно намотать также на недорогих ОСМ 0,1. Я применял как самодельные, так и ЗС (золотая середина) . Настройка несложная, осилит даже начинающий радиолюбитель.
  5. Здравствуйте, коллеги! Подскажите, пожалуйста источник, где публиковалась схема. Годы 50-ые, примерно. Перелопатил "Радио" и ВР, тщетно...
  6. VAV

    300 B -- один или возможно пара !

    Даже если найдёт, то продаваны-бараны цену по конски залупят, не меньше тыс 25 за лампу.
  7. А Бриг то здесь с какого боку?
  8. Интерсная маркировка ST 70 . Это не Dinaco , случайно? А какие из советских ламп можно применить в этой схеме?
  9. Доброго! Разобран и обмерян. Размеры на фото, я в этом не понимаю, если и буду мотать, то не сам.
  10. Напишите, что померять. Разберу и измерю. А пока вот, сравнение с ТП60-5, железо точно такое, толщина набора и размер. Только длина вдвое больше.
  11. Доброго всем! Бывали случаи применения в качестве выходных в УНЧ трансформаторов ТПК-125? Естественно, я имел ввиду перемотанных на этом железе?
  12. VAV

    Фонокорректор. Фон.

    Доброго времени всем! Отчитаюсь, раз обещал. Виновник фона найден. Кусок кабеля, соединяющий панельку лампы с входными гнездами. Дело в том, что я коротил входные гнезда, фон был. И лишь когда закоротил ножку панельки лампы, фон исчез. Дмитрий был прав, 9 ногу лампы надо коротить как можно ближе к "земле".
  13. VAV

    Фонокорректор. Фон.

    Благодарю, всех, кто откликнулся. Буду пробовать. Результат озвучу здесь. По компоновке. Предыдущий корректор. Фона - ноль!
  14. VAV

    Фонокорректор. Фон.

    Нет, вертушка в порядке, при подключении к полному усилителю, с форокорректором, все отлично. При закороченном входе фон тот же, что при подключенной вертушке. Его нет только при пустых разьемах. В том то все и дело!
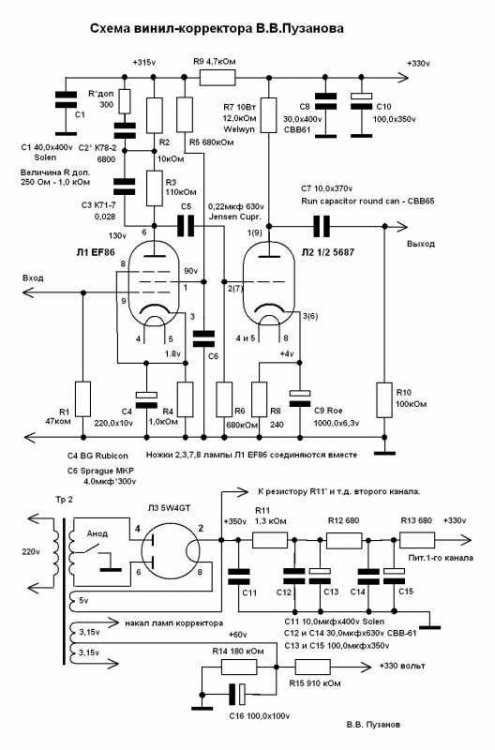
  15. Доброго времени! Фонокорректор для ММ головок, схема Пузанова, со старого портала. Все режимы ламп выставлены идеально, детали хорошие, китая нет. Проблема следующая - при подключенной вертушке есть фон небольшой, т.е. когда громкость " на всю". Если вертушку отключить, фона нет вобще! Даже при полной громкости "легкий бриз". С такой проблемой столкнулся впервые, корректор не первый уже. Накал ламп постоянка, шоттки, 4700 мкФ, резистор, 4700 мкФ. Анодное - кенотрон EZ80, 22 мкФ, дроссель 15 Н, 22 мкФ, раздвоение на каналы, резисторы 1 кОм, 470 мкФ. Чего только не предпринимал, перепаивал разводку земли, заземление накала и т. д. Входные лампы менял. Без толку! Может кто сталкивался с подобной проблемой?
×
×
  • Создать...