Перейти к публикации
SONUS - сообщество

Rezvoy

Участники
  • Публикаций

    21
  • Зарегистрирован

  • Посещение

  • Дней в лидерах

    2

Все публикации пользователя Rezvoy

  1. Ну не понимал-и не надо! Объяснять надоело...
  2. В Маках главное не специфические трансформаторы, а включение ламп в довольно своеобразный "двухтактно-парралельный" каскад. По сути двухтактный каскад с разделенной нагрузкой, в однотактном виде он известен как фазоинверсный. Причем равноразделённой.
  3. Какие проблемы? Бери и делай! mcintosh lockhart.pdf
  4. Занятный квази Макинтош! Но тема сисек не раскрыта: динамическая ёмкость не компенсируется и индуктивность рассеяния велика - ибо не бифиляр!
  5. Rezvoy

    Прямонакальные ГУ-15

    Ок
  6. Rezvoy

    Прямонакальные ГУ-15

    Ну не квартеты - хотя бы пары!
  7. Вот такой макет был. Работал
  8. Rezvoy

    SE EL34, 6П3С ...

    Грубо 19Вт.
  9. Ну ты же сам знаешь! Из-за ООС.
  10. Rezvoy

    SE на ГУ-72

    Она в режимах для ГУ-72 прекрасно работает, на мой слух разрешение немного пониже, но можно и смириться, если бы не конская мощность накала. Карболит у меня почернел через не6сколько часов.
  11. Rezvoy

    SE на ГУ-72

    У меня батарейка в цепи входного транса-аттенюатора на его холодном конце. Если ставить в цепь сетки - слышно, что звук другой, мне не нравится. Кроме литиевых другого не ставил, а их в разгерметизации не заметил. Работало лет по 10-12, более ранние конструкции вне поля зрения. Поскольку каскад раскачки по схеме СРПП, разряд батареи не приведёт к перегрузке ламп драйвера.
  12. Rezvoy

    SE на ГУ-72

    Думаю не слишком критично, можно слегка ток анода уменьшить.
  13. Rezvoy

    SE на ГУ-72

    И Вам не хворать! Вот как то так:
  14. Rezvoy

    SE на ГУ-72

    Только bmp встала. Отличия несущественные, использовал старый выходник ( собственно драйвер изначально предназначен для ГУ-13, ГМ-70 да и корпус остался от этого проекта). Общие впечатления: звук стал пообъёмнее, посуше.
  15. Rezvoy

    SE на ГУ-72

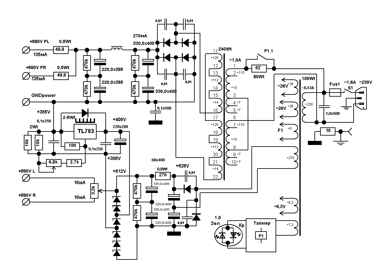
    Він там працює! А крайняя схема такая:GU72_amp.BMPGU72_amp.BMPGU72_amp.BMP
  16. Ну-с! Начнём-с сначала!
×
×
  • Создать...